Xilinx FPGA
StrongFirst timing solution for Xilinx® FPGAs
StrongFirst offers various oscillator products for FPGA major applications. Wired-network, medical-equipment’s, measurement, broadcast.
High-speed serial communication : Low jitter SPXO,SPSO
Broadcast, moving-picture transfer : VCXO, Programmable VCXO
Timing Synchronization IEEE1588, Sync-Ethernet : High-Stability TCXO
< High-speed serial communication PCIe, Fibre-Channel, OTN, G-Ethernet >
< Broadcast, moving picture transfer HD-SDI, 3G-SDI >
< Timing Synchronization IEEE1588, Sync-Ethernet >
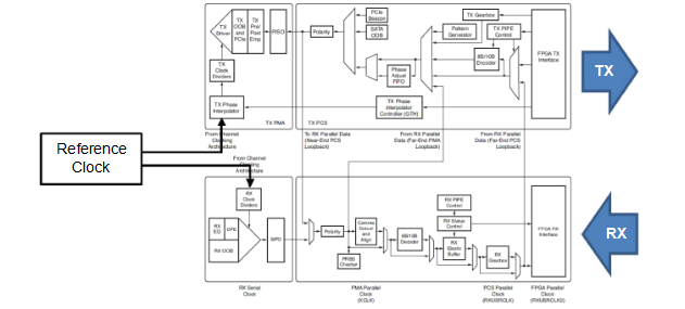
Xilinx7 series FPGA transceiver block diagram
Recommended Products Line-up
|
Product
name
|
Image
Size [mm]
|
Frequency
Range
|
Supply
voltage
|
Output
|
Phase Jitter
(12 k to 20 MHz)
|
Features
|
|
SOCL7050
(SPXO)
|
7×5×1.2t
|
100 MHz
to 700 MHz
|
3.3 V
|
LVDS
LV-PECL
|
0.23 ps Max.
(f<150 MHz)
0.23 ps Max.
(150 M≤f<200 MHz)
(Note1)
|
SAW based low jitter
crystal oscillator
|
|
SOCL7050
(SPXO)
|
7×5×1.6t
|
LV-PECL
(2 or 4
outputs)
|
0.17 ps Max.
(f=100 MHz)
0.15 ps Max.
(f=156.25 MHz)
(Note2)
|
|
SOCP7050
(SPXO)
|
7×5×1.5t
|
100 MHz
to 175 MHz
|
3.3 V
|
LV-PECL
|
0.14 ps Max.
(f=100 MHz)
0.1 ps Max.
(f=156.25 MHz)
(Note3)
|
Fundamental
oscillation, low
phase noise crystal
oscillator
|
|
VCP7050
(VCXO)
|
7×5×1.6t
|
100 MHz
to 500 MHz
|
3.3 V
|
LV-PECL
|
0.24 ps Typ.
(f=122.88 MHz)
(Note4)
|
High frequency
fundamental
oscillation by HFF,
low noise and low
jitter VCXO
|
|
VCP7050
(VCXO)
|
7×5×1.5t
|
50 MHz
to 800 MHz
|
3.3 V
|
LV-PECL
|
0.3 ps Typ.
(f=122.88 MHz)
0.26 ps Typ.
(f=153.6 MHz)
(Note5)
|
Low power and low
noise Programmable
VCXO by
Fractional-N PLL
|
StrongFirst clocks meet Xilinx® FPGA transceiver reference clock jitter requirement.
‹ Phase No ise plot and GTX/GTH/GTP(CPLL ) Mask
Recommended Reference Clock In terface
Recommended Products Line-up
|
Product
name
|
Image
Size [mm]
|
Frequency
Range
|
Supply
voltage
|
Output
|
Frequency
Stability
(-40 to +85 degC)
|
Features
|
|
TCXO7050
(TCXO)
|
7×5×1.2t
|
100 MHz
to 50 MHz
|
3.3 V
|
CMOS/
Clipped
Sine
|
"+/-280 PPM
|
Stratum3
compatible
|
|
TCXO5032
(TCXO)
|
5×3.2×1.45t
|
100 MHz
to 40 MHz
|
3.3 V
|
CMOS/
Clipped
Sine
|
"+/-280 PPM
|
Stratum3
compatible
|
TCXO7050 24.576MHz MTIE data (0.1Hz filter)
* Xilinx is the registered trademark of Xilinx, Inc.